Part-1
Q 1. For the circuit shown, determine
a) The time constant when the switch moves to position 1
b) The mathematical expression of vc, ic when the switch moves to position 1
c) vc & ic if the switch moves to position 2 at t=100ms
d) The mathematical expression of vc & ic when the switch moves to position 3 after it remained for 50ms on position 2.
e) Plot the waveforms of vc, & ic showing their behaviors in the time interval from t=0 to t=400ms.

Q2. For the given circuit, the switch is closed after the capacitors are fully charged.
a) What would be the initial value of vc(t) when switch is closed?
b) Determine the time constants in both cases (switch is open, switch is closed).
c) Find vc(t) & ic(t) for t=1 m seconds, t=1.8m seconds and t=2.5m seconds
d) Plot the responses of vc(t) & ic(t) with time.

Part-2
Q 1. For the circuit shown, determine
a) The time constant z when the switch is closed
b) The inductor and resistor voltages and currents when the switch is closed.
c) The mathematical expression of IL, vL & vR when the switch is open at t=51.1. seconds.
d) vL & iL at t=3T
e) Plot the waveforms of iL & vL

Q2. For the circuit shown, determine
a) The maximum values of iL & vL
b) The inductor and resistor voltages and currents when the switch is closed.
c) The mathematical expression for inductor and resistors currents when the switch is open after inductor reaches its maximum current.
d) Resistor voltages at t=3T
e) Plot the waveforms of iL & vL.

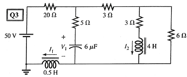
Q3. For the given circuit, the capacitor and inductors have reached the steady state. Determine VL, IL & I2.

Part-3
Q1. Write down the following expressions in terms of sine function:
a. cosα = sin(?)
b. -sinα = sin(?)
c. -cosα = sin(?)
Q2. For the given periodic waveform, Determine

a) T b) f c) Vmax and vp-p d) number of cycles shown
Q.3 If v(t) = 300sin(157t), how long in seconds does it take this waveform to complete 1/2 cycle.
Q4. Write the analytical expression for the given waveforms

Q5 If a periodic waveform has a frequency of 20Hz, how long in seconds will it takes to complete 5 cycles?
Q6 Find the phase relation between the following signals:
a. v = -5 sin(ωt + 75°) & i = 10 cos(ωt -130°)
b. v = -3 cos(ωt) & i = 8sin(ωt + 55° )