Question
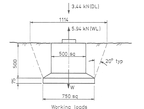
A large carport has footing loading as shown on Figure As 1 when normal maximum wind force id applied.
a) Using the stability formula specified chapter two of the lecture notes. Determine the total weight W required (this include the weight of soil). Soil density = 19 KK/m3.
b) Determine the minimum weight of concrete. This should be at least = WL↑ + 0.8 DL↓ /0.8.
c) Calculate the actual weight of concrete.
d) Find the total weight mobilised, i.e. Concrete + soil.
