Ask Electrical & Electronics Expert

Objective of course project is to offer students an opportunity to go through a sensor-based instrumentation system design experience. As you know design is the most important skill that engineers should develop and demonstrate. Designing an instrument for a specific application involves the following steps:

(i) Study the application environment and requirements,

(ii) Set system specifications (c1)

(iii) Consider sensor alternatives and select the appropriate sensor (c2)

(iv) Consider alternative conditioning circuits and processing and select the appropriate options (c2)

(v) Implement design: Characterize and model the sensor, design conditioning circuits and processing. (c3)

(vi) Perform appropriate tests and analyze results (c4)

(vii) Make any necessary design improvement based on initial testing

(viii) Verify final design: study the various errors, quantify them and calibrate your instrument or system.

(ix) Write a project report and present your work.

In Sensors & Instrumentation course we have been learning about instrumentation systems, error types, sensor types, operation, characteristic properties, modeling, and circuit conditioning.

2. Requirements and Deliverables

a. You are expected to work in a team of two or three,
b. Follow the appropriate design procedure
c. Justify selection of components
d. Perform the necessary experimental tests
e. Calibrate your instrument/measurement system
f. Write a technical project report (according to template) and PPT presentation

2. Suggested List of projects:

Digital Relative Humidity Sensor (Outdoor/Indoor)

1295_HumiditySensor.png

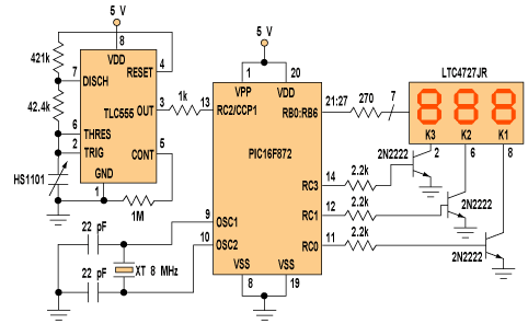
To measure relative humldity,an HS1101 capacitive sensor controls the TLC555 timer's oscillation frequency. A NC MCU measures the period of oscillation and performs the calculations needed to display the results on the LED readout.

Electrical & Electronics, Engineering

  • Category:- Electrical & Electronics
  • Reference No.:- M91086807
  • Price:- $40

Priced at Now at $40, Verified Solution

Have any Question?


Related Questions in Electrical & Electronics

Question 1for the ce amplifier in figure 1 given the

Question 1 For the CE amplifier in Figure (1), given the following component parameters: Parameter Value β DC , β AC 150 V BE 0 . 7 V V CC 12 V R C 820 ? R E 1 100 ? R E 2 220 ? R 1 20 k? R 2 5 . 2 k? R L 100 k? C 1 , C ...

Question -i a star-connected three-phase synchronous

Question - (i) A star-connected, three-phase synchronous induction motor takes a current of 10 amps from a 415 volt supply at unity power factor when supplying a steady load. If the synchronous reactance is 5 ohms/phase ...

1 a name the three major groups of contamination and

1. (a) Name the three major groups of contamination and briefly describe their physical characteristics. (b) Where do the above contamination types come from? Give one example of each. 2. Name two processes metrics which ...

Question 1 in the voltage regulator circuit in figure p221

Question 1: In the voltage regulator circuit in Figure P2.21, V 1 = 20 V, V Z = 10 V, R i = 222Ω and P z (max) = 400 mW. (a) Determine I L, I z , and I L , if R L = 380Ω. (b) Determine the value of R L , that will establ ...

Summative assessmentin 2017 sej101 assessment will consist

Summative Assessment In 2017 SEJ101 assessment will consist of nine tasks that will develop a portfolio of your assessed work. Throughout the trimester you will have the opportunity for feedback on all nine tasks before ...

1 a name the three major groups of contamination and

1. (a) Name the three major groups of contamination and briefly describe their physical characteristics. (b) Where do the above contamination types come from? Give one example of each. 2. Name two processes metrics which ...

1 a name the three major groups of contamination and

1. (a) Name the three major groups of contamination and briefly describe their physical characteristics. (b) Where do the above contamination types come from? Give one example of each. 2. Name two processes metrics which ...

Case studythis assignment consists of a written report of

CASE STUDY This assignment consists of a written report of approximately 1000 words and any diagrams in which you are asked to critically compare different process methods used to achieve the same result and show an awar ...

Problem 1 a two-phase servomotor has rated voltage applied

Problem 1: A two-phase servomotor has rated voltage applied to its excitation winding. The torque speed characteristic of the motor with Vc = 220 V, 60 Hz applied to its control phase winding is shown in Fig.1. The momen ...

Electrical engineering questions -q1 two ideal voltage

Electrical Engineering Questions - Q1. Two ideal voltage sources designated as machines 1 and 2 are connected, as shown in the figure below. Given E 1 = 65∠0 o V, E 2 = 65∠30 o V, Z = 3Ω. Determine if Machine 1 is genera ...

  • 4,153,160 Questions Asked
  • 13,132 Experts
  • 2,558,936 Questions Answered

Ask Experts for help!!

Looking for Assignment Help?

Start excelling in your Courses, Get help with Assignment

Write us your full requirement for evaluation and you will receive response within 20 minutes turnaround time.

Ask Now Help with Problems, Get a Best Answer

Why might a bank avoid the use of interest rate swaps even

Why might a bank avoid the use of interest rate swaps, even when the institution is exposed to significant interest rate

Describe the difference between zero coupon bonds and

Describe the difference between zero coupon bonds and coupon bonds. Under what conditions will a coupon bond sell at a p

Compute the present value of an annuity of 880 per year

Compute the present value of an annuity of $ 880 per year for 16 years, given a discount rate of 6 percent per annum. As

Compute the present value of an 1150 payment made in ten

Compute the present value of an $1,150 payment made in ten years when the discount rate is 12 percent. (Do not round int

Compute the present value of an annuity of 699 per year

Compute the present value of an annuity of $ 699 per year for 19 years, given a discount rate of 6 percent per annum. As