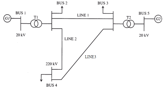
Question 1
The MATLAB file psa9p12.m should be used for this question.

LOADS (at peak time)
BUS 2 100 MW + 0 MVAr BUS 3 60 MW + 0 MVAr
BUS 4 120 MW + 60 MVAr
LOADS (Midnight)
BUS 2 10 MW + 0 MVAr BUS 3 6 MW + 0 MVAr BUS 4 12 MW + 6 MVAr Generation (at peak time)
Active power for G2 = 100 MW
Bus 1 is the swing bus
For each generator, reactive power output should not exceed 50 MVAr
Generation (midnight)
Active power for G2 = 10 MW
Bus 1 is the swing bus
For each generator, reactive power absorbed should not exceed 20 MVAr
Bus voltages
Voltages at bus 1 and bus 5 fixed at 1 pu by the AVRs (automatic voltage regulator) of the generators.
Bus 2, Bus 3 and Bus 4 are load buses (or PQ buses or bus type 1).
Transformers
Tap position fixed at nominal value
System data (common MVA base of 200)
(Transformer losses neglected)
Leakage reactance for T1 = 0.15 pu
Leakage reactance for T2 = 0.12 pu
Per phase series impedance for line 1 = (0.3 + j 0.75) pu = 72.6 + 181.5j Ω Per phase series impedance for line 2 = (0.1 + j 0.25) pu = 24.2 + 60.5j Ω
Per phase series impedance for line 3 = (0.1 + j 0.25) pu = 24.2 + 60.5j Ω
Per phase susceptance for line 1 = 0.1815 pu = 750 μS
Per phase susceptance for line 2 = 0.0605 pu = 250 μS
Per phase susceptance for line 3 = 0.0605 pu = 250 μS
(a) Using the MATLAB file psa9p12.m, determine the bus voltages at system peak. What problem(s) do you detect?
(b) Determine the required level of var generation at bus 4 if voltage at that bus is to be brought up to 1 pu at system peak load. The var source is a star connected bank of capacitors directly connected to bus 4. Make an estimate of the required capacitance per phase.
(c) Determine the bus voltages at midnight? What problem(s) do you detect?
(d) Suggest a solution to the problem(s) detected in part (c). Provide quantitative verification of your suggested solution.
Question 2
Use a common base MVA of 100.

Table 1: System impedance
|
Plant
|
Rated voltage kV
|
Rated
MVA
|
X+ pu
|
X- pu
|
X° pu
|
|
G1
|
25
|
350
|
0.25
|
0.16
|
0.10
|
|
G2
R = 0.5 Ω
|
20
|
200
|
0.20
|
0.15
|
0.12
|
|
T1
|
25/220
|
400
|
0.12
|
0.1
|
0.1
|
|
T2
|
20/220
|
200
|
0.10
|
0.12
|
0.12
|
|
T3
|
220/66/11
|
150
|
0.06 per winding
|
0.06 per winding
|
0.06 per winding
|
|
L1 80 km
|
220
|
-
|
j 0.6 Ω/km
|
j 0.6 Ω/km
|
j 1.2 Ω/km
|
|
L2 50 km
|
220
|
-
|
j 0.6 Ω/km
|
j 0.6 Ω/km
|
j 1.2 Ω/km
|
|
L3 100 km
|
220
|
-
|
j 0.6 Ω/km
|
j 0.6 Ω/km
|
j 1.2 Ω/km
|
Prefault conditions: system unloaded with all bus voltage = 1 pu
(a) Draw the positive, negative, and zero sequence networks for the system. Include all impedance values.
(b) A three phase fault occurs on line 3 at a point equidistant between bus 2 and bus 3. Calculate the following currents (in amperes):
Fault current
Line current for Generator 1
Line current for Generator 2
(c) Assume that a single line to ground fault occurs on line 1 at a point equal distant between bus 1 and bus 2. Using the networks from (b), calculate (in ampere) the resulting fault current.
Question 3
A small electrical power system has four on-line generators. Incremental generation costs and power limits are given below.
|
|
Pmin
(MW)
|
Pmax
(MW)
|
Incremental Cost ($/hr/MW)
|
|
Generator 1
Generator 2
Generator 3
Generator 4
|
50
100
50
50
|
400
350
200
300
|
9 + 0.004 Pg1
10+ 0.002 Pg2
8 + 0.006 Pg3
8 + 0.006 Pg4
|
Draw a graph of the system incremental cost against system load ranging from 250 MW to 1250 MW. Neglect system losses.
If the system load is 700 MW, deduce the optimum incremental cost and the corresponding power distribution among the generators.
Question 4
Do problem 13.17 in your textbook with a short term purchase request of 350 MW. In other words, all conditions remain unchanged except the load during the second interval is 1750 MW. (Please note that there are errors in table 13.6 of your textbook. You should perform your own calculations rather than rely on values given in that table.)