1 A force. F is applied to a lever - shaft assembly as shown in the figure. F= 534 N. Determine the scalar component of the moment at point 0 about line OB and the reaction at 0.

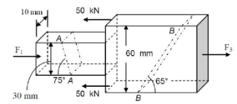
2 Two rectangular bars of 10-mm thickness are loaded as shown in the figure. If the average normal stress on plane AA is ISO MPa in compression determine
a. The force Ft
b. The average normal and shear stresses on plane BB.
