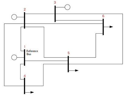
For the following network

a) Classify the bus types and write out the power-flow equations at each bus.
b) Write MATLAB code to compute the DC power-flow solution.
c) Starting from the DC power-flow solution, using MATLAB code implement the Newton- Algorithm till all the power mismatch errors are smaller than 0.001 pu. How many iterations does it take to reach convergence?
d) Starting from the DC power-flow solution, using MATLAB code implement the fast decoupled power-flow algorithm until all the power mismatches are smaller than 0.001 pu. How many iterations does it take to reach the convergence?